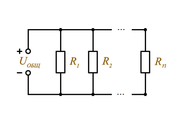
При параллельном соединении проводников один конец всех проводников соединяют в одной точке, а другой в ещё одной.
Для изучения параллельного соединения проводников соберём электрическую цепь, состоящую из источника тока, двух резисторов, вольтметра, амперметра и ключа.
Поскольку при параллельном соединении проводники подключены к одним и тем же двум точкам, напряжение на всех параллельно соединённых резисторах одинаково:
U = U1 = U2
Для того чтобы понять, как распределяется сила тока при параллельном соединении проводников, будем подключать амперметр последовательно с каждым резистором и в неразветвлённую часть цепи.
Опыт показывает, что сила тока в неразветвлённой части цепи равна сумме сил токов на её отдельных участках:
I = I1 + I2
Этот экспериментальный результат объясняется тем, что новые заряды в проводнике не образуются, а в точке разветвления проводников происходит лишь разделение потока свободных электронов на части, что соответствует закону сохранения электрического заряда.
Следствия
1. Согласно закону Ома, напряжение на участке цепи U = IR. Так как при параллельном соединении U1 = U2, то можно записать: I1R1 = I2R2.
Таким образом, чем больше сопротивление участка цепи, тем меньше сила тока в нём.
2. Если два проводника соединены параллельно, то их общее сопротивление меньше сопротивления каждого из них. Параллельное соединение как бы увеличивает сечение проводника. Общее сопротивление двух параллельно соединённых проводников можно определить из формулы
Напряжение на параллельных участках цепи одинаково, сила тока в каждом участке «своя». При параллельном соединении приборов каждый прибор в цепи работает независимо от другого. Отключение одного прибора не влияет на работу других, поэтому все бытовые электроприборы в квартире включены параллельно.







